產品型號:D67L1X
適用壓力:PN1.0~1 .6MPa
適用規格:DN50~1200
適用溫度:-10℃~150℃
閥體材質:鑄鐵、球墨鑄鐵、碳鋼、不銹鋼、鋁青銅
產品結構特征
1、減小轉動力矩,支撐閥桿,并使其與閥體有效分離,減小閥桿的磨損。
2、經過拋光處理,與閥座精密配合。
3、實現氣密性試驗零泄漏要求,啟閉力矩小,延長閥座使用壽命。
4、閥桿密封不易變形,從而避免了通常的閥桿泄漏現象。
5、精度高,強度大,適用于手柄及其它控制裝置的安裝。
6、牢固連接閥桿與閥板,具有防振脫特點,且易于更換。
7、整體性好,便于控制閥板啟閉。
8、具有不脫落、抗拉、防泄漏、更換方便等特點。
9、作為管路中調節或截斷介質的設備。
10、適用于手柄控制裝置(DN50~300),蝸輪蝸桿、電動及氣動控制裝置。
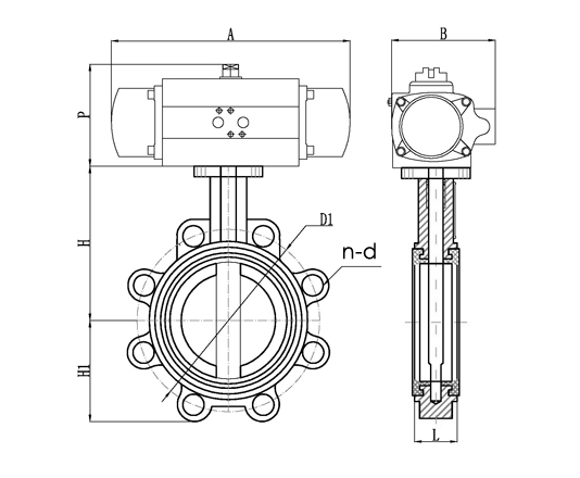
主要外形連接尺寸
|
公稱通徑 DN |
英寸 |
主要尺寸(mm) PN10/PN16 |
執行器尺寸 |
||||||
|
L |
D2 |
H1 |
H2 |
n-Φd |
A |
P |
B |
||
|
50 |
2 |
43 |
125 |
193 |
80 |
4-16 |
163 |
96 |
76 |
|
65 |
2-1/2 |
46 |
145 |
212 |
89 |
4-16 |
195 |
115 |
91 |
|
80 |
3 |
46 |
160 |
232 |
95 |
8-16 |
195 |
115 |
91 |
|
100 |
4 |
52 |
180 |
280 |
114 |
8-16 |
217 |
137 |
11 |
|
125 |
5 |
56 |
210 |
302 |
127 |
8-16 |
258 |
147 |
122 |
|
150 |
6 |
56 |
240 |
330 |
139 |
8-20 |
299 |
165 |
136 |
|
200 |
8 |
60 |
295 |
419 |
175 |
8-20/12-20 |
349 |
182 |
153 |
|
250 |
10 |
68 |
350/355 |
482 |
203 |
12-20/12-24 |
397 |
199 |
173 |
|
300 |
12 |
78 |
400/410 |
553 |
242 |
12-20/12-24 |
473 |
221 |
192 |
|
350 |
14 |
78 |
460/470 |
635 |
267 |
16-20/16-24 |
560 |
249 |
213 |
|
400 |
16 |
102 |
515/525 |
709 |
301 |
16-24/16-27 |
601 |
280 |
243 |
|
450 |
18 |
114 |
565/585 |
750 |
381 |
20-24/20-27 |
738 |
383 |
356 |
|
500 |
20 |
131 |
620/650 |
840 |
387 |
20-24/20-30 |
738 |
383 |
356 |
|
600 |
24 |
154 |
725/770 |
1021 |
457 |
20-27/20-33 |
940 |
434 |
415 |